ИБП60К

Owen
ИБП60К
11590,80
р.
Ознакомьтесь с обозначениями при заказе данного товара и перейдите
в наш полный каталог для получения подробной информации и материалов.

  • Прямые поставки — низкие цены, высокое качество, гарантийное обслуживание
  • Надёжный поставщик электрооборудования, КИПиА и прочей продукции
  • Доставка по всей России — от Калининграда до Сахалина, полная поддержка на всех этапах
  • Склад в Москве — оперативность и соблюдение сроков
  • Выгодные цены: скидка 3% от цены завода; до 15% при «Проекте»; бесплатная доставка до терминала в г. Москва «ДЛ»/СДЭК при любой сумме, а при существенном заказе — до города/иногда до адреса Покупателя
  • Отсрочка платежа: по согласованию — частичная предоплата или постоплата
Описание
Примеры применения
Тех. характеристики
Электрические характеристики
Схема подключения
Комплектность

Описание

ОВЕН ИБП60К предназначен для использования в качестве резервированного источника вторичного питания при работе от сети и комплекта аккумуляторных батарей (АКБ). ИБП60К-24 является частью «Экосистемы- 210» компании ОВЕН и рекомендуется для совместного применения с программируемыми логическими контроллерами ПЛК210 и модулями ввода/вывода Мх210 в промышленности и других отраслях народного хозяйства.

Особенности и преимущества

  • Питание нагрузки стабилизированным напряжением 24 В (при наличии напряжения питающей сети) или с использованием свинцово-кислотных либо литий-ионных (Li-ion) АКБ.
  • Автоматический переход на резервное питание нагрузки постоянным напряжением от АКБ при отключении напряжения питающей сети или понижении его уровня ниже допустимого.
  • Контроль наличия внешней АКБ.
  • Оптимальный заряд АКБ с ограничением тока заряда при наличии напряжения питающей сети.
  • Защита прибора и нагрузки от короткого замыкания (КЗ) в нагрузке (путем ограничения выходного тока) и от неправильного подключения (переполюсовки) клемм АКБ.Защита АКБ от глубокого разряда в случае отсутствия напряжения питающей сети (нагрузка отключается от АКБ при снижении напряжения на клеммах батареи до критического уровня).
  • Восстановление работоспособности прибора в случае отсутствия напряжения питающей сети.
  • Световая индикация режимов работы прибора.
  • Информирование контролирующих устройств о режиме работы прибора.


Примеры применения

Питание нагрузки стабилизированным напряжением (при наличии напряжения питающей сети) или с использованием свинцово-кислотных АКБ

Питание нагрузки стабилизированным напряжением (при наличии напряжения питающей сети) или с использованием литий-ионных АКБ

Тех. характеристики

Технические характеристики

Наименование
Значение
Питание
от сети
Питание
от АКБ*
Выходные параметры
Номинальное напряжение
24 ± 0,48 В
Номинальный ток
2 А
Номинальная мощность
60 Вт
(включая 12 Вт на заряд АКБ)
48 Вт
Размах напряжения шума ипульсаций (межпиковое) при номинальном токе нагрузки и заряда, не более
120 мВ
Время пуска, не более
1 с
2 с
Входные параметры
Номинальное напряжение питания переменного тока
120/230 В
24 В
Рабочее напряжение питания переменного тока
90...264 В

Частота переменного тока
45...65 Гц

Рабочее напряжение питания постоянного тока
110...370 В
20,1…27,6 В
(свинцово-кислотные АКБ);
18…25,5 В
(Li-ion АКБ)
Максимальный ток потребления
1,1 А
3,9 А
Пусковой ток, не более
36 А

КПД, не менее**
80 %
Максимальная потребляемая мощность
75 Вт

Дискретный вход
Количество
1
Тип входа согласно ГОСТР 51841
1
Минимальная длительность импульса
1,6 мс
Напряжение / максимальный ток:
  • «логического нуля»
−5…+5 В / 2 мА
  • «логической единицы»
−30…−15 В /15…30 В / 9 мА (при 30 В)
Дискретный выход
Количество
4
Тип выходов
Оптопара транзисторная n-p-n типа
Максимальный коммутируемый ток
0,2 А
Максимальное коммутируемое напряжение
⎓30 В
Защиты
Защита от повышенного/пониженного входного напряжения
Переход на питание от АКБ при
Uвх< 85 В АС;
возврат на питание от сети при
Uвх=" 90… "264 В АС
Отключение нагрузки при UАКБmin < 20,1 В (свинцово-кислотные АКБ) и < 18 В (Li-ion АКБ)
Тип защиты от перегрузки – ограничение выходного тока: порог ограничения выходного тока
2,1…2,4 А
Безопасность и ЭМС
Устойчивость к механическим воздействиям по ГОСТР 52931
N2
Устойчивость к электромагнитным воздействиям по ГОСТ 51317.4
Критерий качества А
Уровень электромагнитной эмиссии по порту питания по ГОСТ 32132.3
Класс Б

Степень защиты по ГОСТ 14254
IP20
Класс защиты от поражения электрическим током по ГОСТ IEC6 1140
II
Изоляция по ГОСТ 12.2.091
Усиленная
Категория перенапряжения по ГОСТР 50571.19
II

Степень загрязнения по ГОСТР 50030.1
2
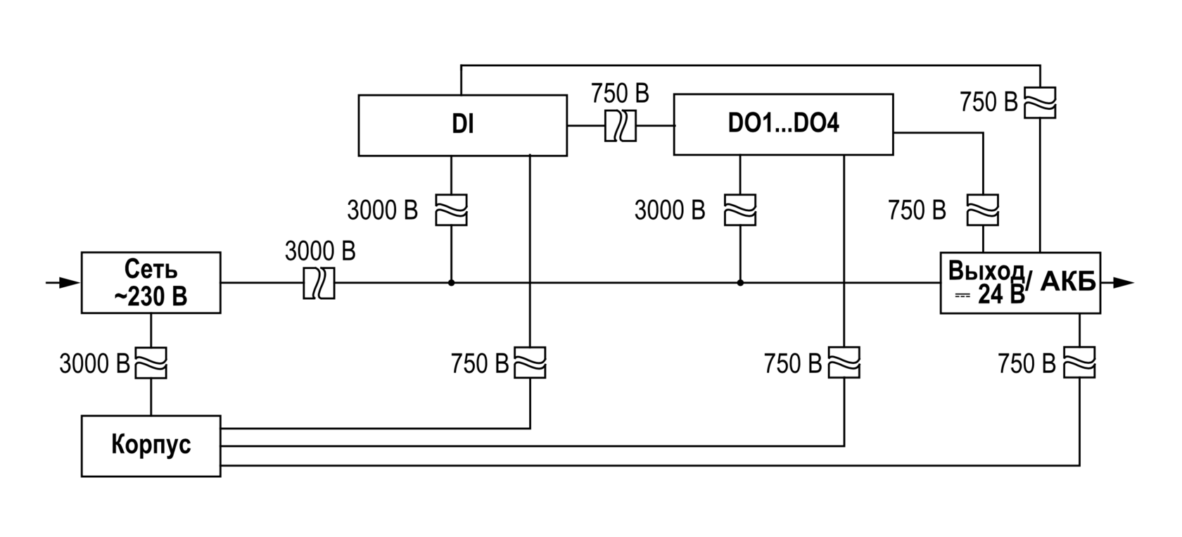
Электрическая прочность изоляции
См. схему гальванической развязки
Сопротивление изоляции (вход–выход 24 В – выход АКБ – DI/DO – корпус) при 500 В, не менее
20 МОм
Условия эксплуатации
Рабочий диапазон температур окружающей среды
-20…+50 °С
Температура хранения и транспортирования
-40…+80 °С
Влажность воздуха при +25 °С и более низких температурах без конденсации влаги, не более
80 %
Атмосферное давление
84…106,7 кПа
Взаимодействие с АКБ
Емкость АКБ

2…10 А·ч
Напряжение отключения заряда АКБ:
  • свинцово-кислотные
  • Li-ion

26,2…28,9 В
Согласно ограничениям встроенного контроллера АКБ
Ток ограничения зарядного устройства

0,45…0,55 А
Время переключения с/на АКБ, не более
8 мс
Напряжение защитного отключения нагрузки от АКБ:
  • свинцово-кислотные

20,1…21,0 В
  • Li-ion

16,0...18,0 В
Прочее
Срок эксплуатации
10 лет
Срок гарантийного обслуживания, не менее
2 года
Средняя наработка на отказ
50 000 ч
Масса, не более
0,5 кг

* АКБ в комплект поставки не входят (за исключением дополнительно согласованных случаев).
** Значения приводятся при нормальной температуре и номинальных напряжениях питания.

Электрические характеристики

Основные электрические характеристики


Схема гальванической развязки


Схема подключения

Схема подключения

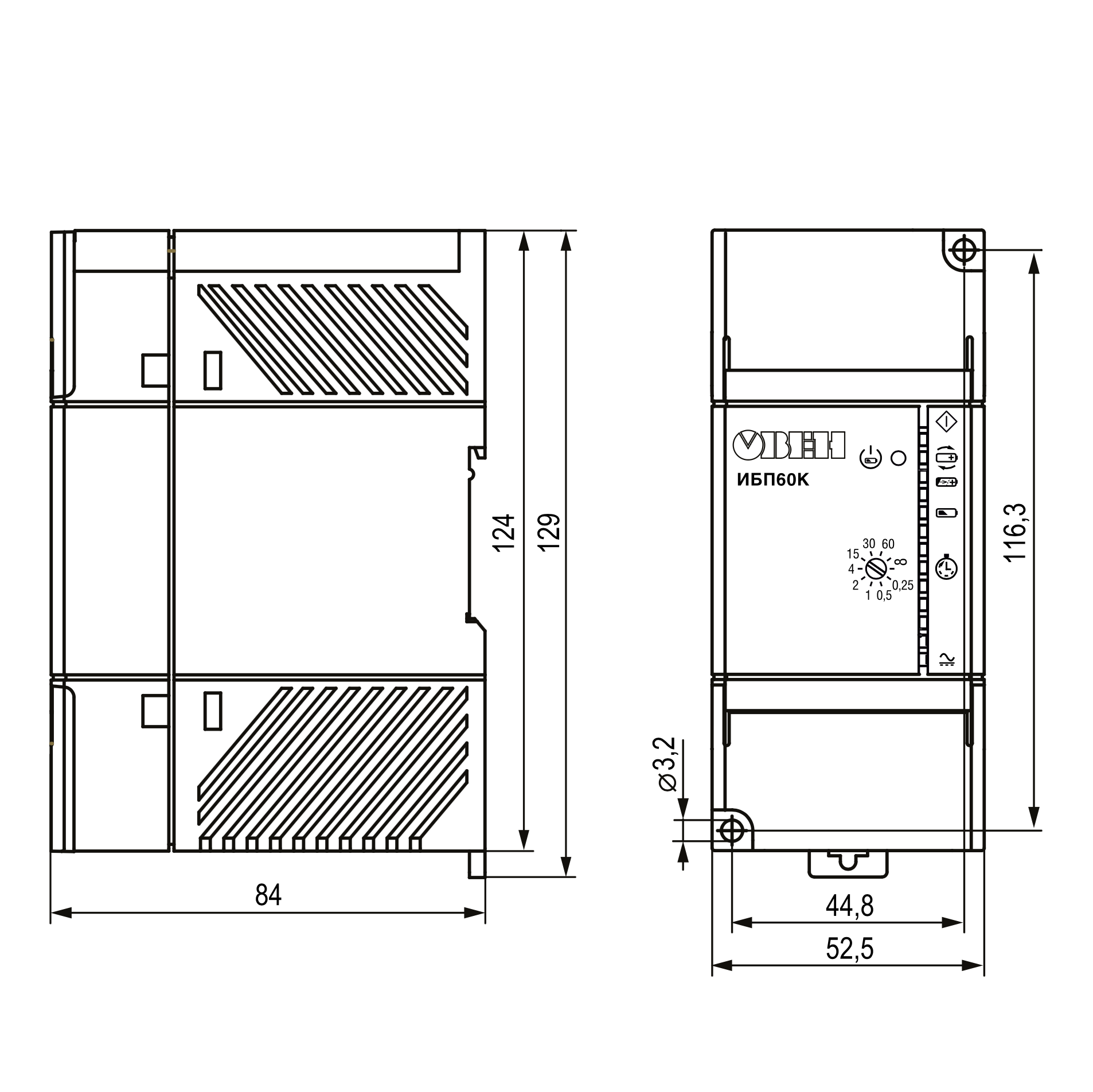
Лицевая панель, габаритные и установочные размеры прибора

На лицевой панели прибора расположена кнопка, шесть светодиодов и поворотный переключатель.
Кнопка  предназначена для перезапуска прибора от АКБ при отсутствии напряжения питающей сети.
Поворотный переключатель задает уставку таймера, по которой отключается питание нагрузки от АКБ при отсутствии напряжения питающей сети. Уставка задается в минутах или до срабатывания защиты от переразряда АКБ (знак ∞).
Индикатор  показывает состояние таймера:
  • не светится – таймер установлен в положение «∞» (отключение АКБ произойдет при достижении нижнего разрешенного предела напряжения на АКБ);
  • светится – установлено одно из значений таймера отключения нагрузки (любое, кроме «∞») при наличии напряжения питающей сети;
  • мигает – отсчет времени до отключения питания нагрузки от АКБ при отсутствии напряжения питающей сети.
Дискретный вход DI1 используется при отсутствии напряжения питающей сети и предназначен для принудительной блокировки АКБ с отсечкой питания всех потребителей.

Комплектность

  • Прибор
  • Паспорт и гарантийный талон
  • Руководство по эксплуатации
  • Результат индивидуальных стендовых испытаний