СИ30

Owen
СИ30
10687,20
р.
Ознакомьтесь с обозначениями при заказе данного товара и перейдите
в наш полный каталог для получения подробной информации и материалов.

  • Прямые поставки — низкие цены, высокое качество, гарантийное обслуживание
  • Надёжный поставщик электрооборудования, КИПиА и прочей продукции
  • Доставка по всей России — от Калининграда до Сахалина, полная поддержка на всех этапах
  • Склад в Москве — оперативность и соблюдение сроков
  • Выгодные цены: скидка 3% от цены завода; до 15% при «Проекте»; бесплатная доставка до терминала в г. Москва «ДЛ»/СДЭК при любой сумме, а при существенном заказе — до города/иногда до адреса Покупателя
  • Отсрочка платежа: по согласованию — частичная предоплата или постоплата
Описание
Тех. характеристики
Функциональная схема
Модификации
Схемы подключения
FAQ

Описание

Микропроцессорный счетчик импульсов СИ30 используется для подсчета количества продукции на транспортере или жидкости, длины наматываемого кабеля или экструзионной пленки, сортировки продукции, суммарного количества изделий и т.п.
Счетчик импульсов СИ30 рекомендуется использовать совместно с энкодерами.
ОВЕН СИ30 входит в состав новой линейки счетчиков импульсов, отличающейся повышенной устойчивостью к различным видам электромагнитных помех. Приборы данной линейки способны работать при отрицательных температурах до -20 °С.
Цифровой счетчик импульсов СИ30 выпускается в корпусах 3-х типов: настенном Н и щитовых Щ1, Щ2.

Основные функциональные возможности счетчика импульсов ОВЕН СИ30

  • Прямой, обратный или реверсивный счет импульсов, поступающих от подключенных к прибору датчиков.
  • Определение направления вращательного движения узлов и механизмов.
  • Перевод количества импульсов в реальные единицы измерения продукции.
  • Выбор позиции десятичной точки.
  • Коэффициент масштабирования.
  • Четыре режима работы выходных устройств.
  • Четыре дискретных входа для организации счета и реализации функций старт/стоп, блокировка, сброс.
  • Универсальные входы, позволяющие работать с датчиками PNP/NPN-типа, сухим контактом, датчиками высокого и низкого уровня, энкодерами.
  • Встроенный источник питания датчиков - 24В с максимальным током нагрузки не более 100 мА.
  • Управление нагрузкой с помощью двух выходных устройств.
  • Сохранение результатов счета при отключении питания.
  • Встроенный модуль интерфейса RS-485 и USB-порт для подключения к ПК.
  • Поддержка протоколов Modbus (ASCII, RTU), ОВЕН.
  • Автоматическое определение протокола связи.
  • Конфигуратор для настройки счетчика с ПК.
  • Улучшенная помехоустойчивость. Полное соответствие требованиям ГОСТ Р 51522 (МЭК 61326) по электромагнитной совместимости для оборудования класса А с критерием качества.

Тех. характеристики

Технические характеристики


– напряжение, В
от 90 до 264
– частота, Гц
от 47 до 63
Диапазон постоянного напряжения питания, В
от 10,5 до 30
Максимальная потребляемая мощность, ВА, не более
12,5
Масса, кг, не более
1
Средний срок службы, лет
10
Межповерочный интервал, лет
2
Частота входных импульсов, Гц, не более
10000
Длительность входных импульсов, мкс, не менее
50
Диапазон значений умножителя
от 0,00001 до 99999
Частота входного фильтра, Гц
от 1 до 50000
Скважность импульса, не менее
2
Входы
Количество входов управления
4
Подключаемые датчики
– коммутационные устройства (контакты кнопок, выключателей, герконов, реле и т.п.);
– n-p-n–типа с открытым коллекторным выходом;
– p-n-p–типа.

Напряжение низкого (активного) уровня на входах, В
0…4
Напряжение высокого уровня на входах, В
10…30
Количество счетных разрядов
6
Интерфейсы связи
RS-485 (протоколы: Modbus ASCII/RTU, ОВЕН)
USB

Функциональная схема

Модификации

СИ30-Х.Х.Х

Схемы подключения

Подключение к входу коммутационных устройств: а) при работе с n-p-n датчиками; б) при работе с p-n-p датчиками

Подключение датчиков, имеющих на выходе транзистор n-p-n типа с открытым коллекторным входом: а) пассивный датчик; б) активный датчик

Подключение к входу датчиков, имеющих на выходе транзистор p-n-p типа: а) активный датчик; б) пассивный датчик

Схема подключения нагрузки к ВУ типа Р

Схема подключения нагрузки к ВУ типа К

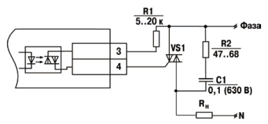
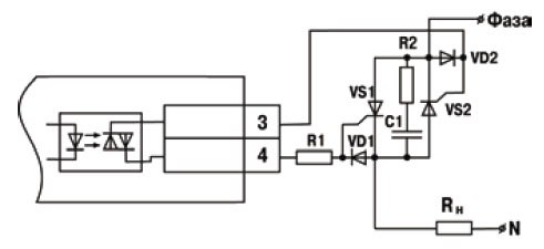
Схема подключения силового симистора к ВУ типа С

Схема подключения нагрузки к ВУ типа С двух тиристоров, подключенных встречно-параллельно

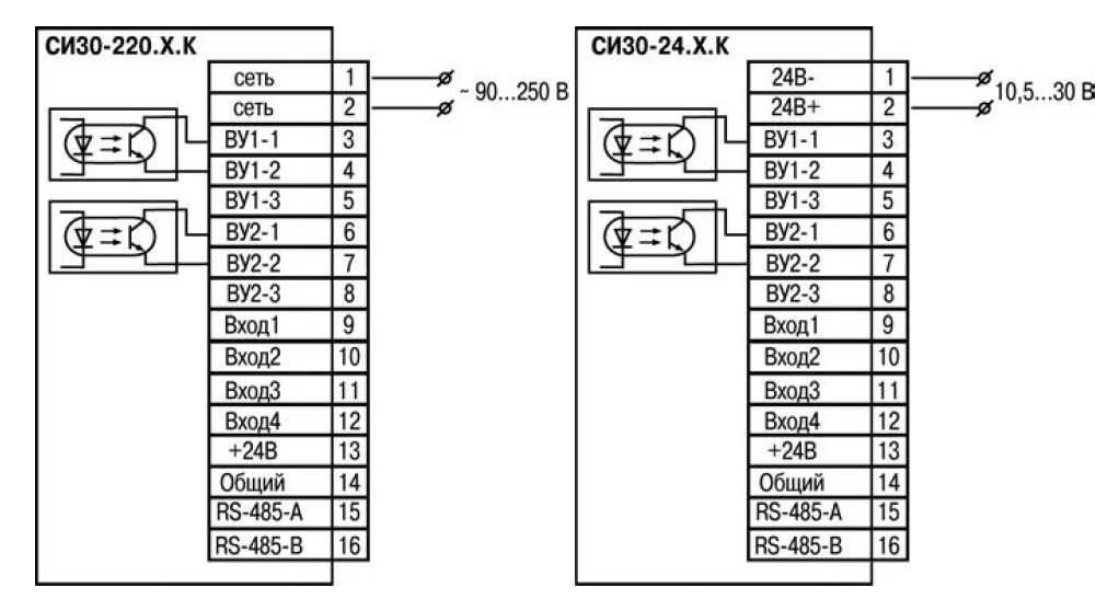
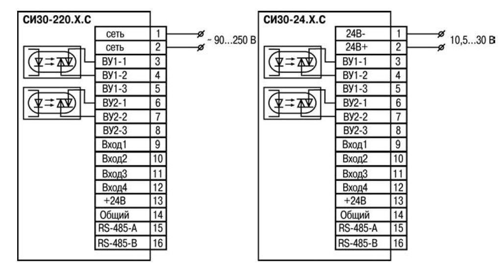
Схемы подключения приборов

с различными ВУ


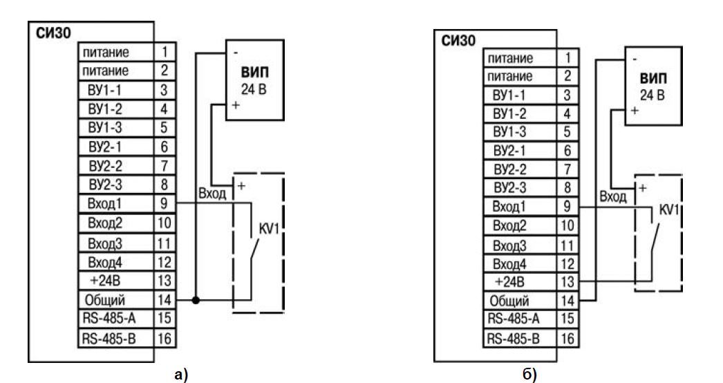
Подключение прибора с ВУ типа Р

Подключение прибора с ВУ типа С

Подключение прибора с ВУ типа К

FAQ

  1. Может ли СИ30 работать как тахометр и счетчик времени?
  2. Нет, такой функции данный счетчик импульсов не поддерживает.
  3. В меню программирования СИ30 не могу найти параметров сетевых настроек прибора. Каким образом можно изменить скорость и адрес СИ30?
  4. Сетевые параметры СИ30 вынесены в отдельное подменю, войти из рабочего режима в него можно нажатием комбинации кнопок «СБРОС» + «ПРОГ». Выход из этого меню осуществляется удержанием кнопки «ПРОГ».
  5. Не получается сделать настройку для программирования СИ30 через USB порт.
  6. Необходимо установить USB драйвер.
  7. Пытаюсь интегрировать СИ30 в скада-систему Masterscada и никак не могу найти параметр, отвечающий за выбор сетевого протокола обмена.
  8. В СИ30 реализована функция автоматического выбора протокола связи. Это означает, что СИ30 сам определяет по какому протоколу к нему пришел запрос и переводит себя на этот протокол автоматически без участия пользователя.
  9. В документации указана максимальная частота входных импульсов 10 кГц, интересует вопрос: какую частоту входных импульсов поддерживает СИ30 в квадратурном режиме, при работе с энкодером?
  10. При работе в квадратурном режиме при работе с энкодером СИ30 также воспринимает частоту входных импульсов 10 кГц.