МВ110

Owen
МВ110
10614,00
р.
Ознакомьтесь с обозначениями при заказе данного товара и перейдите
в наш полный каталог для получения подробной информации и материалов.
От 10 614,00 руб.

  • Прямые поставки — низкие цены, высокое качество, гарантийное обслуживание
  • Надёжный поставщик электрооборудования, КИПиА и прочей продукции
  • Доставка по всей России — от Калининграда до Сахалина, полная поддержка на всех этапах
  • Склад в Москве — оперативность и соблюдение сроков
  • Выгодные цены: скидка 3% от цены завода; до 15% при «Проекте»; бесплатная доставка до терминала в г. Москва «ДЛ»/СДЭК при любой сумме, а при существенном заказе — до города/иногда до адреса Покупателя
  • Отсрочка платежа: по согласованию — частичная предоплата или постоплата
Описание
Тех. характеристики
Комплектность
Схемы подключения

Описание

Модули предназначены для сбора данных со встроенных дискретных входов и передачи их в сеть RS-485.
С 1 сентября 2022 года обновленные модули H/W v2.0 МВ110-16Д(ДН) и МВ110-8ДФ поставляются с новой версией прошивки.
С 1 марта 2024 года обновленные модули H/W v2.0 МВ110-32ДН поставляются с новой версией прошивки.
Встроенное ПО модулей H/W v2.0 несовместимо с модулями, выпущенными до версии H/W v2.0.

Обновление модулей дискретного ввода

Серия МВ110
Статус
МВ110-16Д H/W v2.0
1 сентября 2022 года проведено обновление

МВ110-16ДН H/W v2.0
МВ110-8ДФ H/W v2.0
МВ110-32ДН H/W v2.0
1 марта 2024 года проведено обновление

Основные отличия обновленной версии

Параметр
Мх110 H/W v2.0
Мх110
ПО для настройки
OWEN Configurator (Modbus RTU)
Конфигуратор М110 (ОВЕН)
Поддерживаемые протоколы
Modbus RTU/ASCII, ОВЕН
Modbus RTU/ASCII, ОВЕН, DCON
Счётчики импульсов дискретных входов
Энергозависимые
Энергонезависимые
Восстановление заводских настроек
Сбрасываются на заводские при включении питания с переключателем 2 (3 для МВ110-8А) в положении ON
Модуль работает с заводскими значениями сетевых параметров, но в его памяти сохраняются установленные ранее значения сетевых параметров при включении питания с соответствующей перемычкой в положении ON
Режим «жесткой логики» для модулей ввода/вывода
Нет
Да
Поддерживаемые функции записи по протоколу Modbus
0x10
0x10, 0x0F
Доступ к сетевым параметрам по протоколу Modbus
Да
Нет
Доступ к конфигурационным параметрам аналоговых входов/выходов по протоколу Modbus
Да
Нет

Особенности

  • Встроенные входы могут работать в режиме счетчика импульсов частотой до 1 кГц
  • Автоматическое определение протокола
  • Съемные клеммники с невыпадающими винтами
  • Универсальное питание (=24 В или ~230 В)
  • Обновление встроенного программного обеспечения по RS-485
  • Поддержка облачного сервиса OwenCloud (при использовании сетевого шлюза из линейки Пх210)

Конфигурирование

Конфигурирование модулей Мх110 осуществляется на ПК через адаптер интерфейса RS-485/RS-232 или RS-485/USB (например, ОВЕН АСЗ-М или ОВЕН АС4).
Программное обеспечение для настройки модулей
Mx110 H/W v2.0
OWEN Configurator
Mx110
Конфигуратор М110

Тех. характеристики

Технические характеристики

Модификация
МВ110-224.16Д
МВ110-224.16ДН
МВ110-24/220.32ДН
МВ110-224.8ДФ

Входы
Количество входов
16 DI
16 DI
32 DI
8 DI
Типы поддерживаемых сигналов
  • «сухой контакт» (не требует внешнего питания)
  • датчик n-p-n типа
  • контактный датчик (требует внешнего питания =24 В)
  • датчик n-p-n и p-n-p типа
сигнал ~230 В или =230 В
Характеристики дискретных входов (DI)
Гальваническая развязка входов

групповая (по 4 входа)
поканальная
Электрическая прочность изоляции

1500 В
Макс. частота входного сигнала
1 кГц

Мин. длительность входного сигнала
0,5 мс (скважность 2 для частоты 1 кГц)

Напряжение питания входов (внешний источник)
24 ±3 В для транзисторных ключей
Для «сухих контактов» питание не требуется!
24 ±3 В

Макс. входной ток
не более 7 мА
не более 8,5 мА (при напряжении входа =27 В)

Суммарное сопротивление внешнего контакта и линии подключения
не более 100 Ом

Ток «логической единицы»
не менее 4 мА
не менее 4,5 мА
не менее 0,3 мА
Ток «логического нуля»
не более 0,7 мА
не более 1,5 мА
не более 0,1 мА
Напряжение «логической единицы»


не менее ~110 В (частотой от 47 до 63 Гц) или =150 В (постоянное)
Напряжение «логического нуля»


не более ~20 В (частотой от 47 до 63 Гц) или =15 (постоянное)
Питание
Тип питания
универсальное ~230 В/=24 В
универсальное ~230 В/=24 В
зависит от модификации
универсальное ~230 В/=24 В
Напряжение питания
переменное: ~90…264 В (номинальное ~230 В) частотой 47…63 Гц
или
постоянное: =18…30 В (номинальное =24 В)
МВ110-220.32ДН: ~90…264 В (номинальное ~230 В) частотой 47…63 Гц
МВ110-24.32ДН: =18…30 В (номинальное =24 В)
переменное: ~90…264 В (номинальное ~230 В) частотой 47…63 Гц
или
постоянное: =18…30 В (номинальное =24 В)
Потребляемая мощность
не более 6 ВА
не более 40 ВА
не более 6 ВА
Конструктивное исполнение
Габаритные размеры
(63×110×75) ±1 мм
(140×114×75) ±1 мм
(63×110×75) ±1 мм
Степень защиты
IP20
Монтаж
на DIN-рейку / на стену
Условия эксплуатации
Температура окружающего воздуха
-10…+55 °С
Относительная влажность воздуха (при +25 °С и ниже без конденсации влаги)
не более 80 %

Комплектность

Модуль
1 шт.
Паспорт / Гарантийный талон
1 экз.
Краткое руководство по эксплуатации
1 экз.

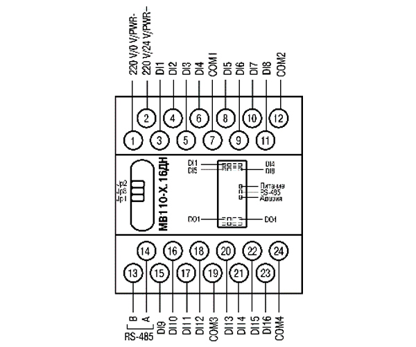
Схемы подключения

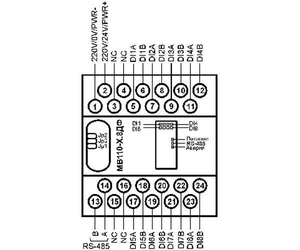
Общий чертеж МВ110-224.16Д

Общий чертеж МВ110-224.16ДН

Общий чертеж МВ110-24/220.32ДН

Общий чертеж МВ110-224.8ДФ

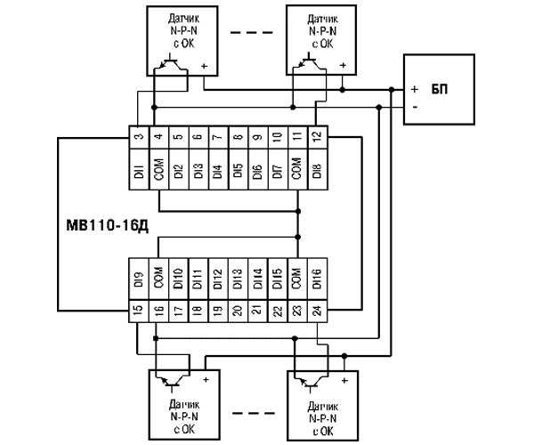
МВ110-16Д схема подключения датчиков «сухие контакты»

МВ110-16ДН схема подключения контактных датчиков

МВ110-16ДН схема подключения контактных датчиков

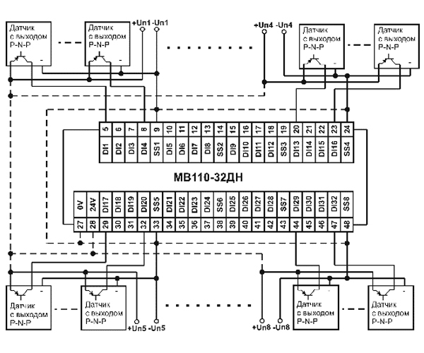
МВ110-32ДН схема подключения контактных датчиков

МВ110-32ДН схема подключения контактных датчиков

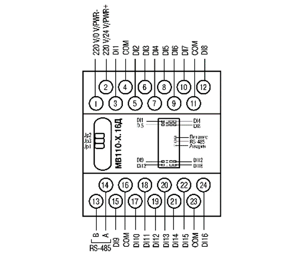
Схема подключения МВ110-224.16Д

Схема подключения МВ110-224.16ДН


Схема подключения МВ110-24/220.32ДН
Схема подключения МВ110-224.16ДН

Схема подключения МВ110-24/220.32ДН