ПЛК110

Owen
ПЛК110
43200,00
р.
Ознакомьтесь с обозначениями при заказе данного товара и перейдите
в наш полный каталог для получения подробной информации и материалов.
От 43200 руб.
Описание
Тех. характеристики
Модификации
Схемы подключения
Габаритные размеры
Комплектность

Описание

ОВЕН ПЛК110[М02] – линейка программируемых моноблочных контроллеров с дискретными входами/выходами на борту для автоматизации средних систем.
Оптимальны для построения систем автоматизации среднего уровня и распределенных систем управления.

Рекомендации к применению

Для построения распределенных систем управления и диспетчеризации с использованием как проводных, так и беспроводных технологий:
  • В системах HVAC
  • В сфере ЖКХ (ИТП, ЦТП)
  • АСУ водоканалов
  • линии по дерево- и металлообработке (распил, намотка и т.д.)
  • Для управления пищеперерабатывающими и упаковочными аппаратами
  • Для управления климатическим оборудованием
  • Для автоматизации торгового оборудования
  • В сфере производства строительных материалов
  • Для управления малыми станками и механизмами

Преимущества ОВЕН ПЛК110[М02]

  • Наличие встроенных дискретных входов/выходов на борту.
  • Скоростные входы для обработки энкодеров.
  • Ведение архива работы оборудования или работа по заранее оговоренным сценариям при подключении к контроллеру USB-накопителей.
  • Простое и удобное программирование в системе CODESYS v.2 через порты USB Device, Ethernet, RS-232 Debug.
  • Передача данных на верхний уровень через Ethernet или GSM-сети (GPRS).
  • 4 последовательных порта (RS-232, RS-485) для: 
  • увеличения количества входов-выходов;
  • управления частотными преобразователями;
  • подключения панелей операторов, GSM-модемов, считывателей штрих-кодов и т.д.
  • Наличие двух исполнений по питанию (220 В и 24 В).

Схема применения ПЛК110 [M02]

Линейка ПЛК110[М02]

Параметр
ПЛК110-30[М02]
ПЛК110-32[М02]
ПЛК110-60[М02]
Количество входов
18
18
36
Быстрых входов
2
2
4
Быстрых счетчиков
2
2
4
Энкодеров
1 AB
1 AB
1 ABZ или 2 AB
Количество выходов
12
14
24
Быстрых выходов (для ПЛК110 с транзисторными выходами)
4
4
4
Количество портов
RS-485
2
1
2
RS-232
1
1
1
RS-232-Debug
1
1
1
Ethernet 100 Base-T
1
1
1

Сравнительная таблица ПЛК110 и ПЛК110[М02]

Параметр
ПЛК110
ПЛК110[М02]
Вычислительные ресурсы
Процессор
ОЗУ
FLASH-диск ПЛК
Операционная система

200 МГц
128 кБайт+2 МБ (размер heap варьируется)
4 МБ
нет

400 МГц
128 кБайт+3 МБ (размер heap варьируется)
6 МБ
Есть, EmbOS Segger - ОС реального времени
Интерфейсы
RS-232
RS-232 Debug
RS-485 (1 или 2)
Ethernet
USB Device
RS-232
RS-232 Debug
RS-485 (1 или 2)
Ethernet
USB Device
USB Host
Работа по беспроводным сетям
SMS, CSD, GPRS
SMS, CSD, GPRS
Питание 5 В в RS-232
Нет
Есть
Температурный диапазон эксплуатации
-10…+50 °C
-40…+55 °C
Источник питания для часов RTC
Встроенный аккумулятор
Заменяемая стандартная батарейка CR2032
Источник питания для Retain
Встроенный аккумулятор
Не требуется, используется MRAM
Ведение архивов на USB Flash
нет
До 8 ГБ
Быстрые входы
Есть, до 10 кГц
Есть, 100 кГц
Быстрые выходы
до 5 кГц
До 100 кГц

Функциональная схема


Тех. характеристики

Параметр
Значение (свойства)
ПЛК110-Х.30[М02]
ПЛК110-Х.32[М02]
ПЛК110-Х.60[М02]
Питание
Напряжение питания:
ПЛК110-24.Х.Х-Х
от 12 до 30 В постоянного тока при Т > минус 20 °С,
от 12 до 26 В постоянного тока при минус 40 °С > Т > минус 20 °С (номинальное 24 В)
ПЛК110-220.Х.Х-Хот 90 до 264 В переменного тока либо постоянного тока (номинальное 120/230 В)Потребляемая мощность, не более:
ПЛК110-24.Х.Х-Х
28 Вт
31 Вт
ПЛК110-220.Х.Х-Х41 ВА45 ВАПараметры встроенного источника питания:
ПЛК110-24.Х.Х-Х
 Выходное напряжение равно входному напряжению на клеммах питания ПЛК, ток не более 630 мА
ПЛК110-220.Х.Х-ХВыходное напряжение 24 В±4 %, ток не более 400 мА
Цифровые (дискретные) входы
Количество входов (из них быстродействующих)
18 (2)
18 (2)
36 (4)
Тип входов по ГОСТ Р 51841–2001
1
Напряжение «логического нуля»
минус 3 … 5 В
Максимальный ток «логического нуля»
2 мА
Напряжение «логической единицы»
15…30 В
Максимальный ток «логической единицы»
9 мА (при 30 В)
Минимальная длительность импульса, воспринимаемого дискретным входом:
- для обычных входов
 1,6 мс (меандр)
- для быстродействующихсм. таблицу 3.1
Подключаемые входные устройства
  • коммутационные устройства (контакты кнопок, выключателей, герконов, реле и т.п.) – см. рисунок В.1
  • трехпроводные датчики, имеющие на выходе транзистор n-p-n- или pnp-типа с открытым коллектором
  • дискретные сигналы с напряжением от минус 3 до 30 В
Дискретные выходы (контакты электромагнитных реле ПЛК110-Х.Х.Р)
Количество релейных выходных каналов
12
14
24
Максимальный ток, коммутируемый контактами реле, не более
3 А
Время переключения контактов реле из состояния «лог. 0» в «лог. 1» и обратно, не более
10 мс (выходы DО1…DО12)
10 мс (выходы DО1…DО14)
10 мс (выходы DО1…DО24)
Суммарный максимальный ток нагрузки группы реле:
COM1-COM2
3 А
3 А
3 А
COM3
3 А
12 А
3 А
COM4
3 А
12 А
3 А
COM5
12 А
12 А
2,5 А
COM6
12 А
-
6 А
COM7-COM10
-
-
12 А
Механический ресурс реле
  • не менее 300 000 циклов переключений при максимальной коммутируемой нагрузке
  • не менее 500 000 циклов переключений при коммутации нагрузки менее половины от максимальной
Дискретные выходы (транзисторные ключи ПЛК110-Х.Х.К)
Количество транзисторных выходных каналов,
из них быстродействующих
12
4 (DО1…DО4)
14
4 (DО1…DО4)
 24
4 (DО1…DО4)
Максимальный ток транзисторного выхода, не более
– для обычных
400 мА (при напряжении не более 30 В постоянного тока – нагрузка для категории использования DC-13 по ГОСТ Р 50030.1–2000)
– для быстродействующих400 мА (при напряжении постоянного тока в диапазоне от 12 до 30 В, при этом используется внешний источник)
Характеристики встроенного выходного защитного элемента подавления помех, возникающих из-за коммутации индуктивностей (TVS диод)
SMBJ40A (напряжение срабатывания: от 44,4 до 49,1 В)
Время переключения транзисторного выхода из состояния «лог. 1» в состояние «лог. 0», не более
– для обычных
 5 мс (выходы DО5…DО12)
 5 мс (выходы DО5…DО14)
 5 мс (выходы DО5…DО24)
– для быстродействующих0,002 мс (выходы DО1…DО4) 0,002 мс (выходы DО1…DО4) 0,002 мс (выходы DО1…DО4)
Интерфейсы связи
Ethernet 100 Base-TПоддерживаемые промышленные протоколыModBus-TCPCODESYS GatewayTCP-IPUDP-IPCODESYS Network Variables (over UDP)РРРСкорость передачи10, 100 Мбит/сRS-485Поддерживаемые протоколыModBus-RTUModBus-ASCIIDCONОВЕНСкорость передачи300, 600, 1200, 2400, 4800, 9600, 14400, 19200, 28800, 38400, 57600, 115200 бит/сRS-232Поддерживаемые протоколыModBus-RTUModBus-ASCIIDCONОВЕНСкорость передачи300, 600, 1200, 2400, 4800, 9600, 14400, 19200, 28800, 38400, 57600, 115200 бит/сRS-232 DebugПоддерживаемые протоколыModBus-RTUModBus-ASCIIDCONCODESYS GateWay ОВЕНСкорость передачи300, 600, 1200, 2400, 4800, 9600, 14400, 19200, 28800, 38400, 57600, 115200 бит/сUSB DeviceПоддерживаемые протоколыCDCСкорость передачи115200 бит/сUSB HostПоддерживаемые протоколыMSD/HID/FTDI, USB 1.0/1.1
Интерфейсы связи, количество
RS-485
2
1
2
RS-232
1
1
1
RS-232-Debug
1
1
1
Ethernet 100 Base-T
1
1
1

Модификации

ПЛК110-Х.Х.Х-Х

Схемы подключения

Расположение контактов для подключения внешних цепей ПЛК110-60

Рисунок Б.1 – Схема расположения и назначение клемм на ПЛК110-220.60.Р. Схема для ПЛК110-24.60.Р – аналогична, полярность при подключении клемм питания аналогична рисунку Б.2
Рисунок Б.2 – Схема расположения и назначение клемм на ПЛК110-24.60.К. Схема для ПЛК110-220.60.К – аналогична

Расположение контактов для подключения внешних цепей ПЛК110-32

Схема расположения и назначение клемм на ПЛК110-24.32.Р. Схема для ПЛК110-220.32.Р – аналогична
Схема расположения и назначение клемм на ПЛК110-220.32.К. Схема для ПЛК110-24.32.Р – аналогична

Расположение контактов для подключения внешних цепей ПЛК110-30

Схема расположения и назначение клемм на ПЛК110-24.30.Р. Схема для ПЛК110-220.30.Р – аналогична
Схема расположения и назначение клемм на ПЛК110-220.30.К. Схема для ПЛК110-24.30.К – аналогична

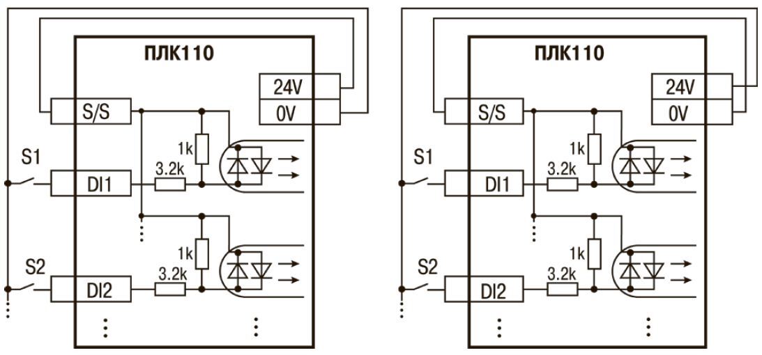
Подключение входных устройств и схемы входных элементов контроллера ПЛК110

Схема подключения контактных датчиков (Sl-Sn) к входам ПЛК110
Обе схемы равнозначны, может использоваться любая. При применении контактных датчиков совместно с датчиками, имеющими на выходе транзисторный ключ, схема подключения должна определяться типом транзисторных датчиков.

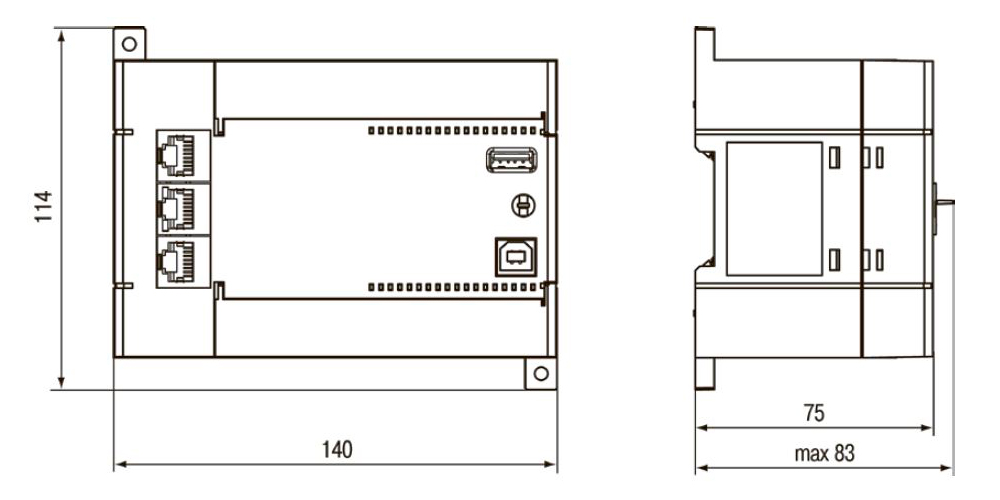
Габаритные размеры

ПЛК110-30, ПЛК110-32
ПЛК110-60

Комплектность

Контроллер ПЛК110 [М02] (исполнение в соответствии с заказом)
1 шт.
Кабель КС14
1 шт.
Заглушка Ethernet
3 шт.
Паспорт и Гарантийный талон
1 экз.
Краткое руководство
1 экз.