МК110

Owen
МК110
11346,00
р.
Ознакомьтесь с обозначениями при заказе данного товара и перейдите
в наш полный каталог для получения подробной информации и материалов.
От 11 346,00 руб.

  • Прямые поставки — низкие цены, высокое качество, гарантийное обслуживание
  • Надёжный поставщик электрооборудования, КИПиА и прочей продукции
  • Доставка по всей России — от Калининграда до Сахалина, полная поддержка на всех этапах
  • Склад в Москве — оперативность и соблюдение сроков
  • Выгодные цены: скидка 3% от цены завода; до 15% при «Проекте»; бесплатная доставка до терминала в г. Москва «ДЛ»/СДЭК при любой сумме, а при существенном заказе — до города/иногда до адреса Покупателя
  • Отсрочка платежа: по согласованию — частичная предоплата или постоплата
Описание
Тех. характеристики

Описание

Модули предназначены для управления по сигналам из сети RS-485 встроенными дискретными выходами, используемыми для подключения исполнительных механизмов с дискретным управлением, и сбора данных с дискретных входов модуля с передачей их в сеть RS-485.
С 1 сентября 2022 года обновленные модули H/W v2.0 МК110-4ДН.4Р и МК110-8Д(ДН).4Р поставляются с новой версией прошивки.
Встроенное ПО модулей H/W v2.0 несовместимо с модулями, выпущенными до версии H/W v2.0

Обновление модулей дискретного ввода/вывода

Серия МК110
Статус
МК110-4ДН.4Р H/W v2.0
1 сентября 2022 года проведено обновление

МК110-8ДН.4Р H/W v2.0
МК110-8Д.4Р H/W v2.0
МК110-4К.4Р
В стадии обновления

Основные отличия обновленной версии

Параметр
Мх110 H/W v2.0
Мх110
ПО для настройки
OWEN Configurator
Конфигуратор М110
Поддерживаемые протоколы
Modbus RTU/ASCII, ОВЕН
Modbus RTU/ASCII, ОВЕН, DCON
Счётчики импульсов дискретных входов
Энергозависимые
Энергонезависимые
Восстановление заводских настроек
Сбрасываются на заводские при включении питания с переключателем 2 в положении ON
Модуль работает с заводскими значениями сетевых параметров, но в его памяти сохраняются установленные ранее значения сетевых параметров при включении питания с перемычкой 2 в положении ON
Режим «жесткой логики» для модулей ввода/вывода
Нет
Да
Поддерживаемые функции записи по протоколу Modbus
0x10
0x10, 0x0F
Доступ к сетевым параметрам по протоколу Modbus
Да
Нет
Доступ к конфигурационным параметрам аналоговых входов/выходов по протоколу ModBus
Да
Нет

Особенности

  • Встроенные входы могут работать в режиме счетчика импульсов частотой до 1 кГц
  • Встроенные выходы могут работать в режиме генерации ШИМ-сигналов до 1 Гц
  • Диагностика обрыва интерфейсной линии и перевод выходов в безопасное состояние, определенное пользователем
  • Возможность контроля уровня жидкости кондуктометрическими датчиками (только для МК110-220.4К.4Р)
  • Автоматическое определение протокола
  • Съемные клеммники с невыпадающими винтами
  • Обновление встроенного программного обеспечения по RS-485
  • Поддержка облачного сервиса OwenCloud (при использовании
  • сетевого шлюза из линейки Пх210)

Конфигурирование

Конфигурирование модулей Мх110 осуществляется на ПК через адаптер интерфейса RS-485/RS-232 или RS-485/USB (например, ОВЕН АСЗ-М или
ОВЕН АС4).
Программное обеспечение для настройки модулей
Mx110 H/W v2.0
OWEN Configurator
Mx110
Конфигуратор М110

Тех. характеристики

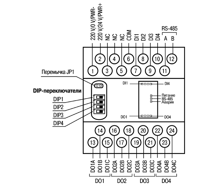
Общий чертеж МК110-220.4ДН.4Р

Общий чертеж МК110-224.8ДН.4Р

Общий чертеж МК110-224.8Д.4Р

Общий чертеж МК110-220.4К.4Р

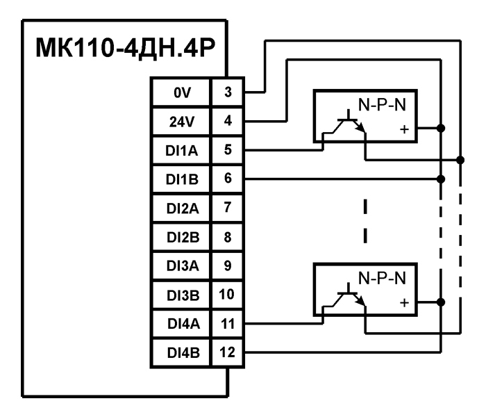
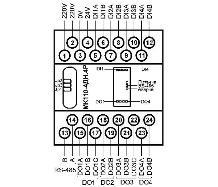
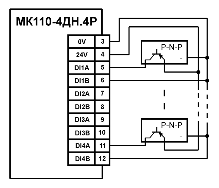
Схема подключения МК110-220.4ДН.4Р

Схема подключения МК110-224.8ДН.4Р и МК110-224.8Д.4Р

Схема подключения МК110-220.4К.4Р

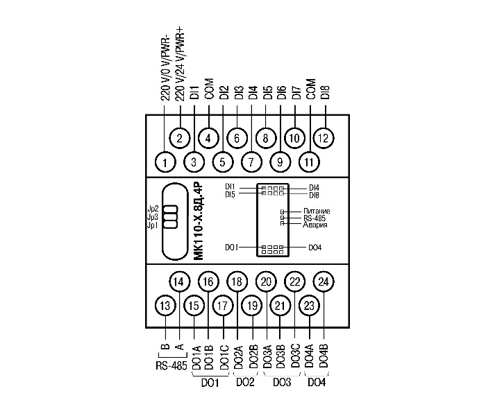
МК110-8Д.4Р схема подключения датчиков «сухие контакты»

МК110-8ДН.4Р схема подключения контактных датчиков

МК110-8ДН.4Р схема подключения контактных датчиков

МК110-8ДН.4Р схема подключения контактных датчиков

Схема подключения МК110-220.4ДН.4Р

Схема подключения МК110-224.8ДН.4Р

Схема подключения МК110-220.4ДН.4Р

Схема подключения МК110-224.8ДН.4Р

Схема подключения МК110-220.4К.4Р