KIPPRIBOR серии LK

KIPPRIBOR
KIPPRIBOR серии LK
1531,20
р.
Ознакомьтесь с обозначениями при заказе данного товара и перейдите
в наш полный каталог для получения подробной информации и материалов.
От 1 531,20 руб.

  • Прямые поставки — низкие цены, высокое качество, гарантийное обслуживание
  • Надёжный поставщик электрооборудования, КИПиА и прочей продукции
  • Доставка по всей России — от Калининграда до Сахалина, полная поддержка на всех этапах
  • Склад в Москве — оперативность и соблюдение сроков
  • Выгодные цены: скидка 3% от цены завода; до 15% при «Проекте»; бесплатная доставка до терминала в г. Москва «ДЛ»/СДЭК при любой сумме, а при существенном заказе — до города/иногда до адреса Покупателя
  • Отсрочка платежа: по согласованию — частичная предоплата или постоплата
Описание
Тех. хар-тики
Модификации
Габ. размеры
Подключение
Комплектность

Описание

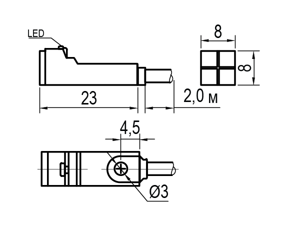
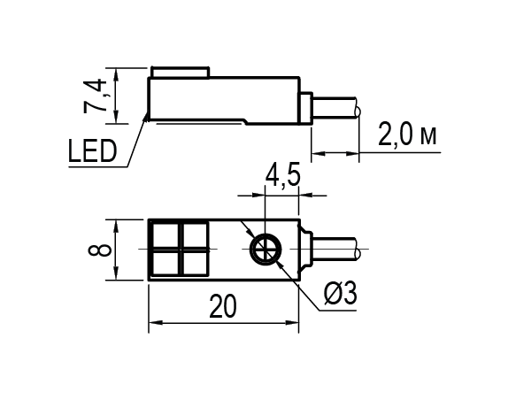
Индуктивные бесконтактные выключатели KIPPRIBOR серии LK – это датчики, выполненные в пластиковом компактном корпусе, предназначенном для установки на плоскость. Датчики LK реагируют на приближение металлического предмета (объекта) к их чувствительной части. Чувствительная часть датчиков KIPPRIBOR серии LK может быть расположена в торцевой (модификации LK) или верхней (модификации LKF) части корпуса. Номинальное расстояние срабатывания (Sn) датчиков LK зависит от модификации и может составлять 2, 2,5, 4, 12 мм.
К основным особенностям индуктивных датчиков серии LK можно отнести их способность реагировать исключительно на металлические объекты при отсутствии механического контакта с объектом (т.е. на расстоянии). Эта особенность позволяет применять датчики серии LK для мониторинга промежуточных или конечных положений металлических частей, узлов и механизмов. Частота переключения индуктивных датчиков KIPPRIBOR серии LK достаточно высока, что позволяет успешно применять их как первичные датчики скорости в комплексе со счетчиками импульсов и тахометрами. Еще одной отличительной особенностью индуктивных датчиков KIPPRIBOR серии LK является возможность их установки на плоскость компактный размер корпуса. Это позволяет использовать датчики серии LK в условиях ограниченного пространства, а также в случаях, если применение датчиков цилиндрической формы не представляется возможным.

Ширина корпуса 8 мм

Напряжение
питания
Схема
подключения
Коммутационная
функция
Номинальное
расстояние
срабатывания
Максимальная
частота
срабатывания
Модификация
10…30 VDC
NPN 3-проводная
NO
2,5 мм
500 Гц
LK08M-23.2,5N1.U1.K
NC
LK08M-23.2,5N2.U1.K
PNP 3-проводная
NO
LK08M-23.2,5P1.U1.K
NC
LK08M-23.2,5P2.U1.K
NPN 3-проводная
NO
LKF08M-20.2,5N1.U1.K
NC
LKF08M-20.2,5N2.U1.K
PNP 3-проводная
NO
LKF08M-20.2,5P1.U1.K
NC
LKF08M-20.2,5P2.U1.K

Ширина корпуса 10 мм

Напряжение
питания
Схема
подключения
Коммутационная
функция
Номинальное
расстояние
срабатывания
Максимальная
частота
срабатывания
Модификация
10…30 VDC
NPN 3-проводная
NO
2 мм
500 Гц
LKF10M-27.2N1.U1.K
NC
LKF10M-27.2N2.U1.K
PNP 3-проводная
NO
LKF10M-27.2P1.U1.K
NC
LKF10M-27.2P2.U1.K
NPN 3-проводная
NO
4 мм
LKF10M-27.4N1.U1.K
NC
LKF10M-27.4N2.U1.K
PNP 3-проводная
NO
LKF10M-27.4P1.U1.K
NC
LKF10M-27.4P2.U1.K

Ширина корпуса 18 мм

Напряжение
питания
Схема
подключения
Коммутационная
функция
Номинальное
расстояние
срабатывания
Максимальная
частота
срабатывания
Модификация
10…30 VDC
NPN 3-проводная
NO
4 мм
500 Гц
LK18M-35.4N1.U1.K
NC
LK18M-35.4N2.U1.K
PNP 3-проводная
NO
LK18M-35.4P1.U1.K
NC
LK18M-35.4P2.U1.K
NPN 4-проводная
NO+NC
LK18M-35.4N4.U1.K
PNP 4-проводная
NO+NC
LK18M-35.4P4.U1.K
10…60 VDC
2-проводная
NO
LK18M-35.4D1.U4.K
NC
LK18M-35.4D2.U4.K
10…30 VDC
NPN 3-проводная
NO
12 мм
LK18M-35.12N1.U1.K
NC
LK18M-35.12N2.U1.K
PNP 3-проводная
NO
LK18M-35.12P1.U1.K
NC
LK18M-35.12P2.U1.K
NPN 4-проводная
NO+NC
LK18M-35.12N4.U1.K
PNP 4-проводная
NO+NC
LK18M-35.12P4.U1.K
10…60 VDC
2-проводная
NO
LK18M-35.12D1.U4.K
NC
LK18M-35.12D2.U4.K

Ширина корпуса 40 мм

Напряжение питания
Схема подключения
Коммутационная функция
Номинальное расстояние срабатывания
Максимальная частота срабатывания
Модификация
10…30 VDC
NPN 3-проводная
N0
20 мм
500 Гц
LK40М-68.20N1.U1.E
NC
LK40М-68.20N2.U1.E
NPN 4-проводная
N0+NC
LK40М-68.20N4.U1.E
PNP 3-проводная
N0
LK40М-68.20P1.U1.E
NC
LK40М-68.20P2.U1.E
PNP 4-проводная
N0+NC
LK40М-68.20P4.U1.E
10…60 VDC
2-проводная
N0
LK40М-68.20D1.U4.E
NC
LK40М-68.20D2.U4.E
10…30 VDC
NPN 3-проводная
N0
40 мм
100 Гц
LK40М-68.40N1.U1.E
NC
LK40М-68.40N2.U1.E
PNP 3-проводная
N0
LK40М-68.40P1.U1.E
NC
LK40М-68.40P2.U1.E
NPN 4-проводная
N0+NC
LK40М-68.40N4.U1.E
PNP 4-проводная
N0+NC
LK40М-68.40P4.U1.E
10…60 VDC
2-проводная
N0
LK40М-68.40D1.U4.E
NC
LK40М-68.40D2.U4.E

Тех. хар-тики

Технические характеристики

Параметр
Ширина корпуса
8 мм
10 мм
18 мм
 40 мм
Напряжение питания
10…30 VDC
10…30 VDC
10…30 VDC
10…60 VDC
Номинальный ток нагрузки
<10 мА
Максимальный ток нагрузки
≤ 100 мА
≤ 200 мА
Ток утечки
≤ 0,01 мА
Падение напряжения
≤ 1,5 В
Защита от перегрузки
да
Точка срабатывания защиты
120 мА
220 мА
Защита от переполюсовки
да
Защита от короткого замыкания
да
Гистерезис переключения
≤ 15 % Sr(1)
Точность повторения
≤ 1 % Sr(1)
Индикация срабатывания
Светодиод
LED-индикация
Материал корпуса
Поликарбонат
ABS пластик
РВТ-пластик
Материал активной части
Поликарбонат
ABS пластик
РВТ-пластик
Температура эксплуатации
-25…+70 °C
Температурная погрешность
≤ 10 % Sr(1)
Степень защиты
IP 67
Электрическое подключение
Кабельный вывод, длина 2 м
М12 (male)
(1) – Реальное расстояние срабатывания конкретного бесконтактного выключателя, измеренное при номинальном напряжении питания, определенной температуре и условиях монтажа.

Модификации

LХХM-Х.ХХХ.Х.К


Например: LK18M-35.4N1.U1.K
Вы заказали: Индуктивный датчик с расположением чувствительной части с торца, с прямоугольным корпусом шириной 18 мм, с номинальным расстоянием срабатывания 4 мм; схемой подключения – трехпроводной NPN, коммутационной функцией – NO; напряжением питания 10...30 VDC; кабельным выводом 2 м.

Габ. размеры

Модификация LK08 (ширина корпуса 8 мм)
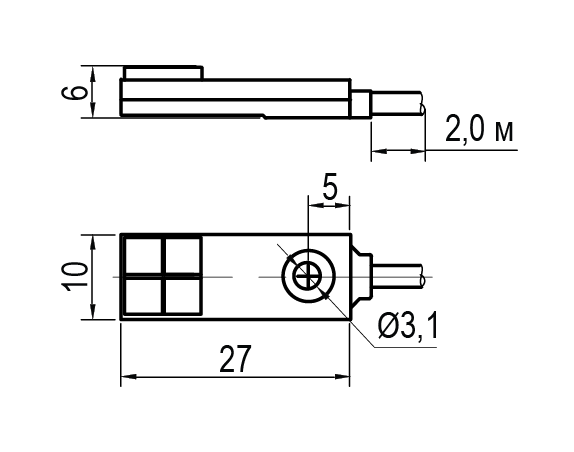
Модификация LKF08 (ширина корпуса 8 мм)
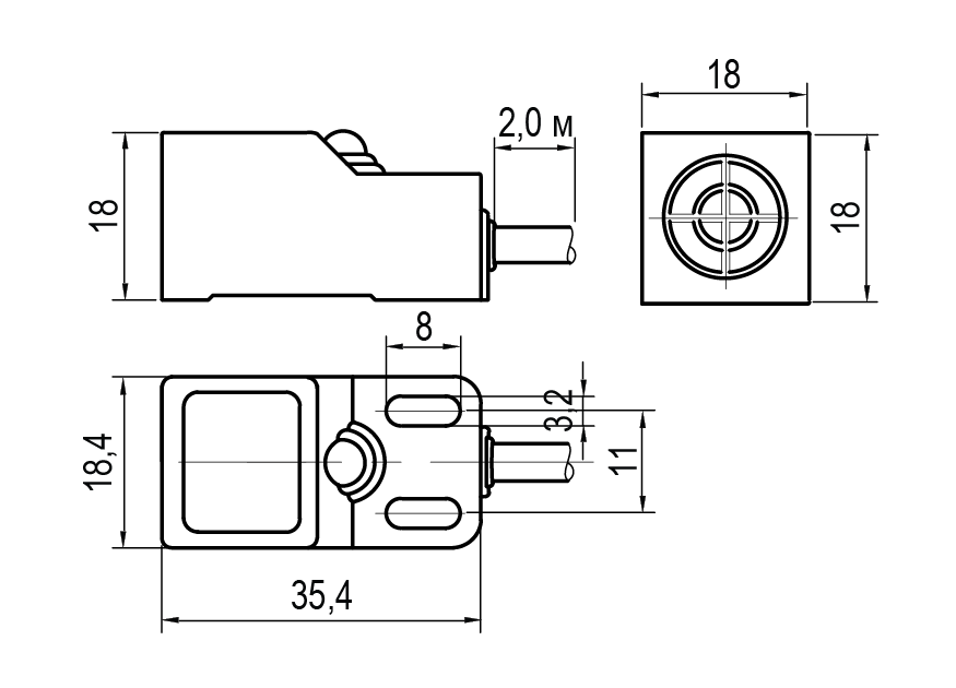
Модификация LKF10 (ширина корпуса 10 мм)

Модификация LK18 (ширина корпуса 18 мм)
Модификация LK40 (ширина корпуса 40 мм)

Подключение

Трехпроводные, NPN, NO

Трехпроводные, PNP, NO
Трехпроводные, NPN, NC
Трехпроводные, PNP, NC
Четырехпроводные, NPN, NO+NC
Четырехпроводные, PNP, NO+NC
Двухпроводные, NO
Двухпроводные, NC

Комплектность

В комплект входит датчик с кабелем присоединения длиной 2 м

Упаковка

Варианты упаковки
Пакет (1 шт.)
Масса одного датчика
LK/LKF08 (ширина корпуса 8 мм) – не более 12 г
LKF10 (ширина корпуса 10 мм) – не более 20 г
LK18 (ширина корпуса 18 мм) – не более 58 г
LK40 (ширина корпуса 40 мм) - не более 150 г