УПП1

Owen
УПП1
21777,60
р.
Ознакомьтесь с обозначениями при заказе данного товара и перейдите
в наш полный каталог для получения подробной информации и материалов.
От 21 777,60 руб.

  • Прямые поставки — низкие цены, высокое качество, гарантийное обслуживание
  • Надёжный поставщик электрооборудования, КИПиА и прочей продукции
  • Доставка по всей России — от Калининграда до Сахалина, полная поддержка на всех этапах
  • Склад в Москве — оперативность и соблюдение сроков
  • Выгодные цены: скидка 3% от цены завода; до 15% при «Проекте»; бесплатная доставка до терминала в г. Москва «ДЛ»/СДЭК при любой сумме, а при существенном заказе — до города/иногда до адреса Покупателя
  • Отсрочка платежа: по согласованию — частичная предоплата или постоплата
Описание
Тех. характеристики
Модификации
Габаритные и присоед. размеры
Схема эл. соединений
Монтаж
Комплектация

Описание

Обновлённая линейка устройств плавного пуска УПП1 со встроенным байпасом обеспечивает управление пуском и остановкой электродвигателей мощностью до 55 кВт в режиме плавного нарастания напряжения и разработана для использования с внешним устройством защиты электродвигателя.

Основные преимущества ОВЕН УПП1

  • Плавный пуск двигателя (1…20 сек).
  • Плавный останов двигателя (0…20 сек).
  • Регулировка пускового момента (40…70 %).
  • Отключение двигателя при срабатывании:
  • системы контроля фаз сети;
  • системы контроля фаз двигателя;
  • системы контроля по перегрузке двигателя.
  • Монтаж вплотную
  • Встроенный байпас – снижает тепловыделение и увеличивает ресурс работы полупроводников.
  • 2- или 3-проводное управление запуском/остановом.
  • Широкий диапазон рабочих температур.

Основные параметры

Параметр
Значение
Пусковой крутящий момент
0...70 % Мном
Время разгона
1…20 сек
Время торможения
0…20 сек
Сетевое напряжение
3×400 В
Степень защиты
IP20
Метод управления
Тиристорное по двум фазам
Способ настройки
Три поворотных переключателя

Тех. характеристики

Технические характеристики

Параметр
Значение
Рабочий диапазон сетевого напряжения
3×360…480 В
Частота сети
50/60 Гц (±5 %)
Время работы без байпаса
1…20 с (во время разгона и торможения)
Число пусков в час
20
Цепи управления
Напряжение логических входов управления
Встроенный источник питания 12VDC
Выходное реле
Коммутирующая способность реле (кл. 13, 14)
5 А при 30 В постоянного тока
5 А при 250 В переменного тока
Изоляция
Электрическая прочность изоляции
3000 В
Диапазон температур окружающей среды
-25…+60 °С
Способ охлаждения
Естественная конвекция
Относительная влажность при 20 °С
95 %
Монтаж
Вертикальный
Температурный диапазон хранения
-25…+60 °С

Модификации

УПП1-Х-В

Габаритные и присоед. размеры

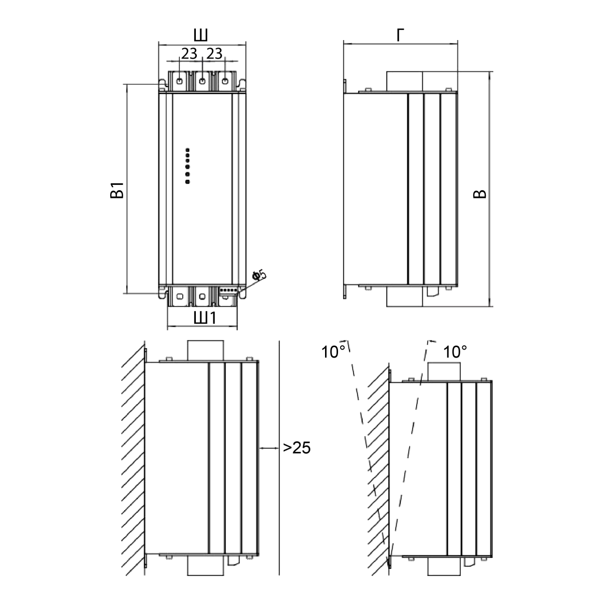
Габаритные и присоединительные размеры

Схема эл. соединений

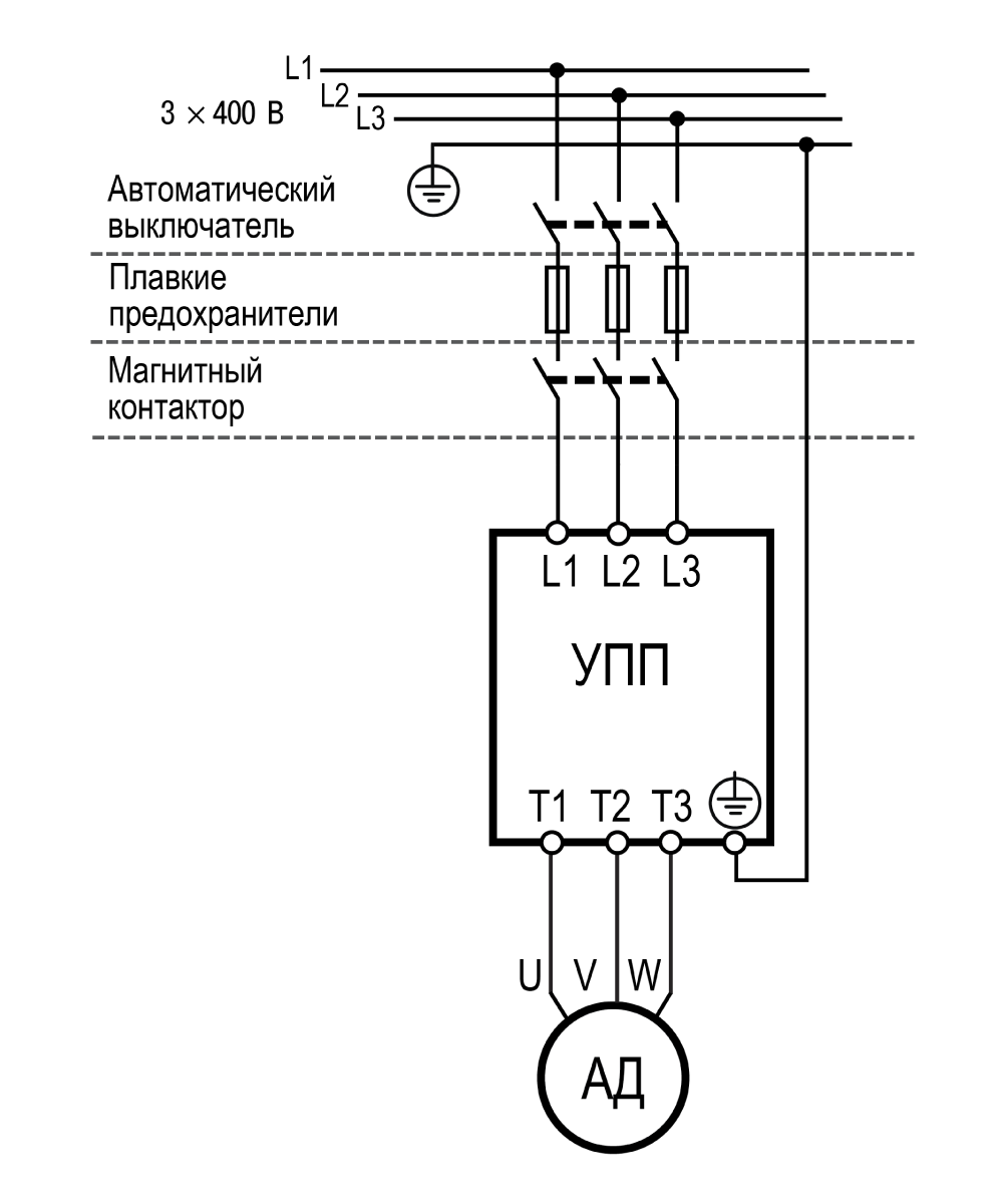
Схема электрических соединений

Устройство плавного пуска ОВЕН УПП1 должно быть установлено с автоматическим выключателем цепи, тепловым реле или плавкими предохранителями и линейным контактором для подачи силового напряжения после подачи управляющего напряжения и команды «Пуск».

Схема электрических соединений УПП1

Схемы подключения прибора с двухпроводным (1) и трехпроводным (2) управлением

Монтаж

Расстояние между УПП1 при монтаже в шкафу

Установка прибора
Установка прибора в горизонтальном положении не рекомендуется! Если такого монтажа не избежать, ток нагрузки следует снизить на 15 %. Допускается монтаж вплотную.

Комплектация

  • Устройство плавного пуска
  • Руководство по эксплуатации
  • Паспорт и гарантийный талон
  • Межполюсные перегородки