МЭ110

Owen
МЭ110
9882,00
р.
Ознакомьтесь с обозначениями при заказе данного товара и перейдите
в наш полный каталог для получения подробной информации и материалов.
От 9 882,00 руб.

  • Прямые поставки — низкие цены, высокое качество, гарантийное обслуживание
  • Надёжный поставщик электрооборудования, КИПиА и прочей продукции
  • Доставка по всей России — от Калининграда до Сахалина, полная поддержка на всех этапах
  • Склад в Москве — оперативность и соблюдение сроков
  • Выгодные цены: скидка 3% от цены завода; до 15% при «Проекте»; бесплатная доставка до терминала в г. Москва «ДЛ»/СДЭК при любой сумме, а при существенном заказе — до города/иногда до адреса Покупателя
  • Отсрочка платежа: по согласованию — частичная предоплата или постоплата
Описание
Тех. характеристики
Комплектность
Схемы подключения

Описание

Модули предназначены для измерения напряжения, силы тока, частоты, мощности, фазового угла и коэффициента мощности в трехфазных сетях и передачи результатов измерений в сеть RS-485.
Коммуникационные возможности
Интерфейс
RS-485
Поддерживаемые протоколы
Modbus RTU
Modbus ASCII
ОВЕН
DCON
Скорость обмена по RS-485
2400…115200 бит/с

Особенности

  • Модификации для одно- и трехфазных сетей
  • Расширенный температурный диапазон рабочих температур от -20 до +55 °С
  • Съемные клеммники с невыпадающими винтами
  • Обновление встроенного программного обеспечения по RS-485
  • Поддержка облачного сервиса OwenCloud (при использовании сетевого шлюза ПМ210)

Конфигурирование

Конфигурирование модулей Мx110 осуществляется на ПК через адаптер интерфейса RS-485/RS-232 или RS-485/USB (например, ОВЕН АСЗ-М или ОВЕН АС4, соответственно) с помощью программы «Конфигуратор М110», входящей в комплект поставки.

Тех. характеристики

Технические характеристики

Модификация
МЭ110-224.1Т
МЭ110-224.1Н
МЭ110-224.1М
МЭ110-220.3М

Входы
Количество каналов измерения
1
1
1
3
Время опроса входа
не более 1 с
Измерение фазного напряжения
Входной сигнал
действующее значение

~(40…400) В, 45…65 Гц

~(1…400) В,
45…65 Гц
с использованием внешних трансформаторов напряжения

~(4×10-2…4×106) В, 45…65 Гц
~(1×10-3…4×106) В,
45…65 Гц
Максимально допустимое значение, не более 1 с

800 В
Основная приведенная погрешность

±0,5 %
±0,25 %
Разрешающая способность

0,1 В
Входное сопротивление

не менее
500 кОм
Измерение линейного напряжения (межфазного)
Входной сигнал
действующее значение

~(2…580) В,
45…65 Гц
с использованием внешних трансформаторов напряжения

~(2×10-3…5,8×106) В,
45…65 Гц
Максимально допустимое значение, не более 1 с

800 В
Основная приведенная погрешность

±0,5 %
Разрешающая способность

0,1 В
Входное сопротивление

не менее
500 кОм
Измерение силы тока
Входной сигнал
действующее значение
0,02…5 А

0,02…5 А
0,005…5 А
с использованием внешних трансформаторов тока
2×10-5…5×105 А

2×10-5…5×105 А
0,005×10-3…50×103 А
Максимально допустимое значение, не более 1 с

10 А
Основная приведенная погрешность
±0,5 %

±0,5 %
±0,25 %
Разрешающая способность

0,001 А
Входное сопротивление

не более
0,01 Ом
Измерение полной, активной и реактивной мощности
Входной сигнал
действующее значение

0,02…2 кВА (кВт, кВАр)
с использованием внешних трансформаторов напряжения/тока

8×10-5…2×104 кВА (кВт, кВАр)
2×10-7…2×1011кВА (кВт, кВАр)
Основная приведенная погрешность

±1,0 %
±0,5 %
Разрешающая способность

1 кВА
(кВт, кВАр)
Измерение частоты первой гармоники
Действующая частота первой гармоники

45…65 Гц
Основная приведенная погрешность

±0,5 %
±0,15 %
Разрешающая способность

0,01 Гц
Измерение коэффициента мощности (cos φ)
Диапазон измерени (рабочем диапазоне мощности)

0…1
Основная погрешность

±2,0 %
при мощности
±3,0 %
при мощности ≥30 ВА
±1,0 %
Разрешающая способность

0,01
Измерение фазового угла
Диапазон измерения (рабочем диапазоне мощности)

10…170 °
Основная погрешность

±0,4 %
Разрешающая способность

1 °
Питание
Тип питания
универсальное ~230 В/=24 В
~230 В
Напряжение питания
переменное: ~90…264 В (номинальное ~230 В) частотой 47…63 Гц
или
постоянное: =18…30 В (номинальное =24 В)
переменное: ~90…264 В (номинальное ~230 В) частотой
47…63 Гц
Потребляемая мощность
не более 5 ВА
не более 4 ВА
не более 5 ВА
не более 7,5 ВА
Конструктивное исполнение
Габаритные размеры
(110×76×27) ±1 мм
(96×73×110) ±1 мм
Степень защиты
IP20
Монтаж
на DIN-рейку / на стену
Условия эксплуатации
Температура окружающего воздуха
-20…+55 °С
Относительная влажность воздуха (при +25 °С и ниже без конденсации влаги)
не более 80 %

Комплектность

Модуль
1 шт.
Паспорт и Гарантийный талон
1 экз.
Краткое руководство по эксплуатации
1 экз.

Схемы подключения

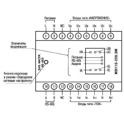
Общий чертеж МЭ110-220.3М

Схема подключения МЭ110-224.1Т к однофазной сети

Схема подключения МЭ110-224.1Н к однофазной сети

Схема подключения МЭ110-224.1М к однофазной сети

Схема подключения МЭ110-224.1Т к однофазной сети

Схема подключения МЭ110-224.1Н к однофазной сети

Схема подключения МЭ110-224.1М к однофазной сети

Схема подключения МЭ110-224.1М к однофазной сети

Схема подключения МЭ110-224.1М к однофазной сети