PYF-013BE/3 Промежуточные реле и аксессуары

KIPPRIBOR
PYF-013BE/3
213,60
р.
Кратность отгрузки: 20 шт.
Единицы измерения: шт.

Проверить наличие, сроки поставки и другие серии —
в [нашем полном каталоге KIPPRIBOR]: актуальные остатки, все модификации и аксессуары — соберите оптимальный комплект под свою задачу.

  • Прямые поставки — низкие цены, высокое качество, гарантийное обслуживание
  • Надёжный поставщик электрооборудования, КИПиА и прочей продукции
  • Доставка по всей России — от Калининграда до Сахалина, полная поддержка на всех этапах
  • Склад в Москве — оперативность и соблюдение сроков
  • Выгодные цены: скидка 3% от цены завода; до 15% при «Проекте»; бесплатная доставка до терминала в г. Москва «ДЛ»/СДЭК при любой сумме, а при существенном заказе — до города/иногда до адреса Покупателя
  • Отсрочка платежа: по согласованию — частичная предоплата или постоплата
Описание
Технические характеристики
Подключение

Описание

Монтажные колодки KIPPRIBOR PYF-013BE для компактных твердотельных реле серии FSD предназначены для установки на DIN-рейку. Изготавливаются из негорючего, прочного и упругого материала (ПА66 + графит), устойчивого к ошибкам при монтаже и эксплуатации.
  • Аксессуары: Дополнительно можно приобрести пластиковый удерживающий зажим BS 2/33P для фиксации реле высотой 33 мм и модуль LED-индикации LM.

Технические характеристики

3-ярусная, для реле с 1 переключающими контактами, винтовые зажимы, цвет черный
Параметр
Значение
Номинальный ток и напряжение коммутации
12 А при 300 VAC
Упаковка
  1. картонная коробка (20 шт. / 900 г)

Подключение

Схема подключения


Цоколевка

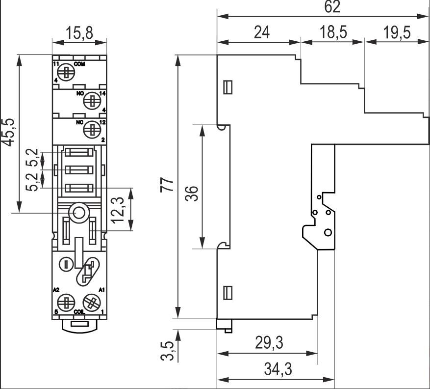
Габаритные размеры