МВ110-хА

Owen
МВ110-хА
11102,40
р.
Ознакомьтесь с обозначениями при заказе данного товара и перейдите
в наш полный каталог для получения подробной информации и материалов.
От 11 102,40 руб.

  • Прямые поставки — низкие цены, высокое качество, гарантийное обслуживание
  • Надёжный поставщик электрооборудования, КИПиА и прочей продукции
  • Доставка по всей России — от Калининграда до Сахалина, полная поддержка на всех этапах
  • Склад в Москве — оперативность и соблюдение сроков
  • Выгодные цены: скидка 3% от цены завода; до 15% при «Проекте»; бесплатная доставка до терминала в г. Москва «ДЛ»/СДЭК при любой сумме, а при существенном заказе — до города/иногда до адреса Покупателя
  • Отсрочка платежа: по согласованию — частичная предоплата или постоплата
Описание
Тех. характеристики
Комплектность
Схемы подключения

Описание

Модули предназначены для измерения аналоговых сигналов встроенными аналоговыми входами, преобразования измеренных величин в значение физической величины и последующей передачи этого значения по сети RS-485.
С 1 марта 2024 года обновленные модули H/W v2.0 МВ110-8А поставляются с новой версией прошивки.
Встроенное ПО модулей H/W v2.0 несовместимо с модулями, выпущенными до версии H/W v2.0.

Обновление модулей аналогового ввода

Серия МВ110
Статус
МВ110-8А H/W v2.0
1 марта 2024 года проведено обновление
МВ110-2А
В стадии обновления

Основные отличия обновленной версии

Параметр
Мх110 H/W v2.0
Мх110
ПО для настройки
OWEN Configurator (Modbus RTU)
Конфигуратор М110 (ОВЕН)
Поддерживаемые протоколы
Modbus RTU/ASCII, ОВЕН
Modbus RTU/ASCII, ОВЕН, DCON
Счётчики импульсов дискретных входов
Энергозависимые
Энергонезависимые
Восстановление заводских настроек
Сбрасываются на заводские при включении питания с переключателем 2 (3 для МВ110-8А ) в положении ON
Модуль работает с заводскими значениями сетевых параметров, но в его памяти сохраняются установленные ранее значения сетевых параметров при включении питания с соответствующей перемычкой в положении ON
Режим «жесткой логики» для модулей ввода/вывода
Нет
Да
Поддерживаемые функции записи по протоколу Modbus
0x10
0x10, 0x0F
Доступ к сетевым параметрам по протоколу Modbus
Да
Нет
Доступ к конфигурационным параметрам аналоговых входов/выходов по протоколу ModBus
Да
Нет

Особенности

  • Индивидуальная конфигурация для каждого входа
  • Диагностика состояния подключенных аналоговых датчиков
  • Автоматическое определение протокола
  • Съемные клеммники с невыпадающими винтами
  • Универсальное питание (=24 В или ~230 В)
  • Обновление встроенного программного обеспечения по RS-485
  • Поддержка облачного сервиса OwenCloud (при использовании сетевого шлюза ПМ210)

Конфигурирование

Конфигурирование модулей Мх110 осуществляется на ПК через адаптер интерфейса RS-485/RS-232 или RS-485/USB (например, ОВЕН АСЗ-М или ОВЕН АС4).


Тех. характеристики

Технические характеристики

Модификация
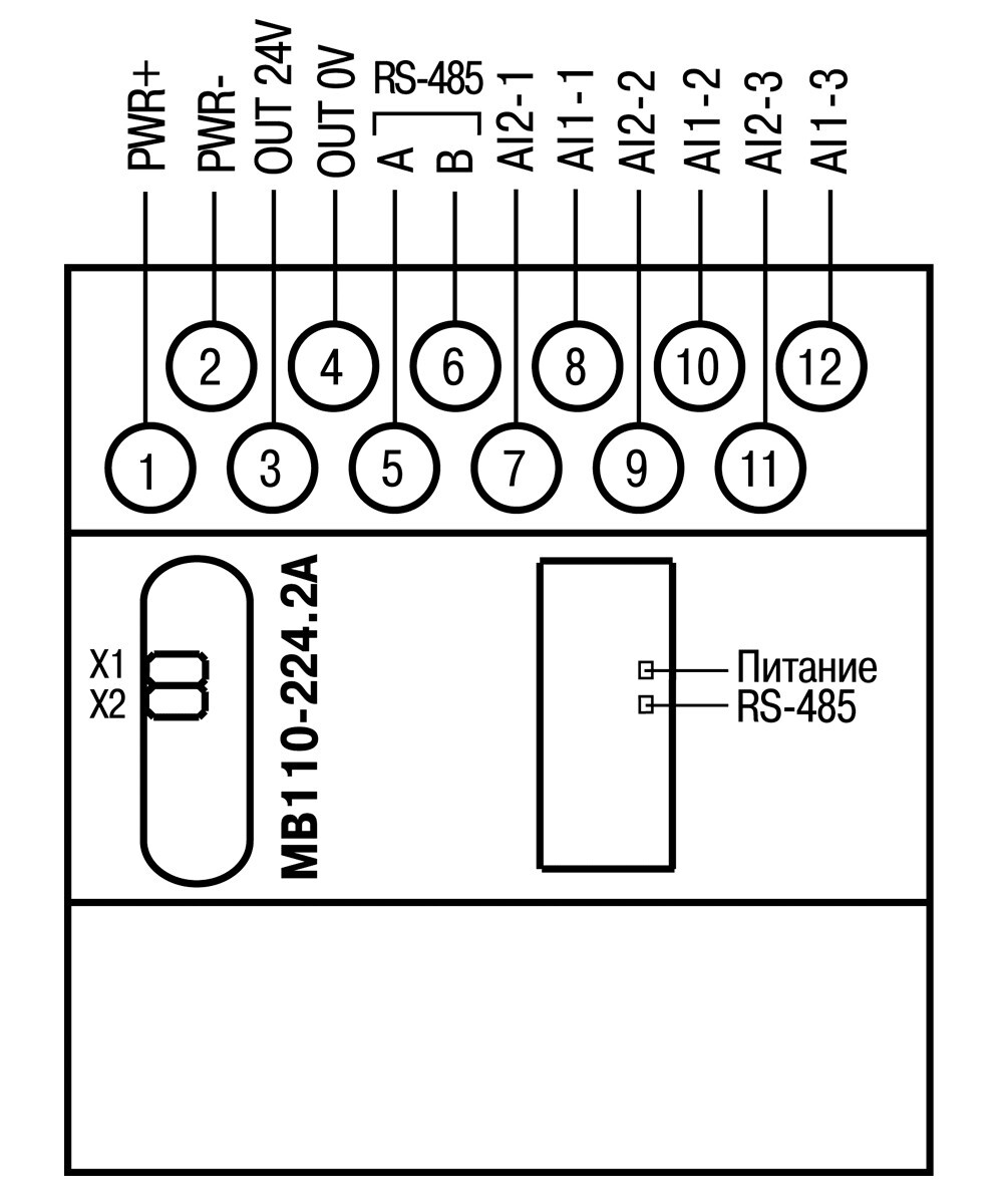
МВ110-224.2А
МВ110-224.8А

Входы
Количество входов
2 AI
8 AI
Типы поддерживаемых сигналов
унифицированные сигналы: 0…5 мА, 0(4)…20 мА, ±50 мВ, 0…1 В
термосопротивления: 50М, Cu50, 50П, Pt50, Ni100, 100М, Cu100, 100П, Pt100, Ni500, 500М, Cu500, 500П, Pt500, Ni1000, 1000М, Cu1000, 1000П, Pt1000
термопары: L, J, N, K, S, R, B, T, A-1, A-2, A-3
сопротивление: 0…5000 Ом
(датчик положения задвижки)
сопротивление: 0…900(2000) Ом
(датчик положения задвижки)
Характеристики аналоговых входов (AI)
Предел основной приведенной погрешности
±0,5 % – для термоэлектрических преобразователей
±0,25 % – для термометров сопротивления и унифицированных сигналов
Разрядность АЦП
16 бит
Время опроса одного входа
Унифицированные сигналы
не более 0,4 с
не более 0,6 с
Термосопротивления
не более 0,8 с
не более 0,9 с
Термопары
не более 0,4 с
не более 0,6 с
Входное сопротивление для унифицированных сигналов
тока 0(4)…20 мА
130…250 Ом
тока 0…5 мА
130…500 Ом
напряжения 0…1 В
не менее 200 кОм
Питание
Тип питания
универсальное ~230 В/=24 В
Напряжение питания
переменное: ~90…264 В (номинальное ~230) частотой 47…63 Гц
или
постоянное: =18…30 (номинальное =24) В
Потребляемая мощность
не более 6 ВА
Напряжение встроенного источника питания
=24 ±3 В
-
Ток встроенного источника питания
не более 50 мА
-
Конструктивное исполнение
Габаритные размеры
(63×110×75) ±1 мм
Степень защиты
IP20
Монтаж
на DIN-рейку / на стену
Условия эксплуатации
Температура окружающего воздуха
-10…+55 °С
Относительная влажность воздуха (при +25 °С и ниже без конденсации влаги)
не более 80 %


Комплектность

Модуль
1 шт.
Паспорт / Гарантийный талон
1 экз.
Краткое руководство по эксплуатации
1 экз.

Схемы подключения

МВ110-224.2А
Общий чертеж


МВ110-224.8А
Общий чертеж

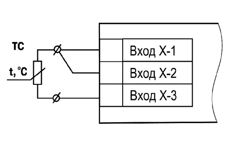
Схема подключения термометра сопротивления МВ110-224.2А

Схема подключения термометра сопротивления МВ110-224.8А

Схема подключения термоэлектрического преобразователя МВ110-224.2А

Схема подключения термоэлектрического преобразователя МВ110-224.8А

Схема подключения активного датчика с токовым выходом 0…5 мА, 0…20 мА или 4…20 мА
Установка шунтирующего резистора Rш = 49,9 Ом – обязательна! МВ110-224.2А

Схема подключения активного датчика с токовым выходом 0…5 мА, 0…20 мА или 4…20 мА
Установка шунтирующего резистора Rш = 49,9 Ом – обязательна! МВ110-224.8А