МУ110

Owen
МУ110
10918,80
р.
Ознакомьтесь с обозначениями при заказе данного товара и перейдите
в наш полный каталог для получения подробной информации и материалов.
От 10 918,80 руб.

  • Прямые поставки — низкие цены, высокое качество, гарантийное обслуживание
  • Надёжный поставщик электрооборудования, КИПиА и прочей продукции
  • Доставка по всей России — от Калининграда до Сахалина, полная поддержка на всех этапах
  • Склад в Москве — оперативность и соблюдение сроков
  • Выгодные цены: скидка 3% от цены завода; до 15% при «Проекте»; бесплатная доставка до терминала в г. Москва «ДЛ»/СДЭК при любой сумме, а при существенном заказе — до города/иногда до адреса Покупателя
  • Отсрочка платежа: по согласованию — частичная предоплата или постоплата
Описание
Тех. характеристики
Комплектность
Схемы подключения

Описание

Модули предназначены для управления по сигналам из сети RS-485 встроенными дискретными выходами, используемыми для подключения исполнительных механизмов с дискретным управлением.
С 1 сентября 2022 года обновленные модули H/W v2.0 МУ110-16К(Р) и МУ110-8К(Р) поставляются с новой версией прошивки .
С 1 марта 2024 года обновленные модули H/W v2.0 МУ110-32Р поставляются с новой версией прошивки.
Встроенное ПО модулей H/W v2.0 несовместимо с модулями, выпущенными до версии H/W v2.0.

Обновление модулей дискретного вывода

Серия МУ110
Статус
МУ110-16Р H/W v2.0
1 сентября 2022 года проведено обновление
МУ110-16К H/W v2.0
МУ110-8Р H/W v2.0
МУ110-8К H/W v2.0
МУ110-32Р H/W v2.0
1 марта 2024 года проведено обновление

Основные отличия обновленной версии

Параметр
Мх110 H/W v2.0
Мх110
ПО для настройки
OWEN Configurator (Modbus RTU)
Конфигуратор М110 (ОВЕН)
Поддерживаемые протоколы
Modbus RTU/ASCII, ОВЕН
Modbus RTU/ASCII, ОВЕН, DCON
Счётчики импульсов дискретных входов
Энергозависимые
Энергонезависимые
Восстановление заводских настроек
Сбрасываются на заводские при включении питания с переключателем 2 (3 для МВ110-8А) в положении ON
Модуль работает с заводскими значениями сетевых параметров, но в его памяти сохраняются установленные ранее значения сетевых параметров при включении питания с соответствующей перемычкой в положении ON
Режим «жесткой логики» для модулей ввода/вывода
Нет
Да
Поддерживаемые функции записи по протоколу Modbus
0x10
0x10, 0x0F
Доступ к сетевым параметрам по протоколу Modbus
Да
Нет
Доступ к конфигурационным параметрам аналоговых входов/выходов по протоколу ModBus
Да
Нет

Особенности

  • Встроенные выходы могут работать в режиме генерации ШИМ-сигналов до 1 Гц
  • Диагностика обрыва интерфейсной линии и перевод выходов в безопасное состояние, определенное пользователем
  • Автоматическое определение протокола
  • Съемные клеммники с невыпадающими винтами
  • Обновление встроенного программного обеспечения по RS-485
  • Поддержка облачного сервиса OwenCloud (при использовании сетевого шлюза из линейки Пх210)

Конфигурирование

Конфигурирование модулей Мх110 осуществляется на ПК через адаптер интерфейса RS-485/RS-232 или RS-485/USB .
Программное обеспечение для настройки модулей
Mx110 H/W v2.0
OWEN Configurator
Mx110
Конфигуратор М110

Тех. характеристики

Технические характеристики

Модификация
МУ110-224.8К
МУ110-224.16К
МУ110-224.8Р
МУ110-224.16Р
МУ110-24/220.32Р

Выходы
Количество выходов
8 DO
16 DO
8 DO
16 DO
32 DO
Тип выходов
транзисторная оптопара n-p-n типа
электромагнитное реле
Характеристики дискретных выходов (DO)
Максимальная нагрузочная способность дискретных выходов
400 мА (при постоянном напряжении не более =60 В)
4 А (при переменном напряжении не более ~250 В 50 Гц и cos φ>0,4)
4 А (при постоянном напряжении не более =24 В)
3 А (при переменном напряжении не более ~250 В 50 Гц и cos φ>0,4)
3 А (при постоянном напряжении не более =30 В)
Питание
Тип питания
универсальное ~230 В/=24 В
зависит от модификации
Напряжение питания
переменное: ~90…264 В (номинальное ~230 В) частотой 47…63 Гц
или
постоянное: =18…30 В (номинальное =24 В)
МУ110-220.32Р: ~90…264 В (номинальное ~230 В) частотой 47…63 Гц
МУ110-24.32Р:=18…30 В (номинальное =24 В)
Потребляемая мощность
не более 6 ВА
не более 12 ВА
не более 6 ВА
не более 12 ВА
не более 25 ВА
Конструктивное исполнение
Габаритные размеры
(63×110×75) ±1 мм
(140×114×75) ±1 мм
Степень защиты
IP20
Монтаж
на DIN-рейку / на стену
Условия эксплуатации
Температура окружающего воздуха
-10…+55 °С
Относительная влажность воздуха (при +25 °С и ниже без конденсации влаги)
не более 80 %

Комплектность

Модуль
1 шт.
Паспорт / Гарантийный талон
1 экз.
Краткое руководство по эксплуатации
1 экз.

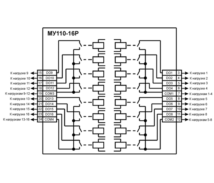
Схемы подключения

Общий чертеж


МУ110-Х.8К

МУ110-Х.8Р

МУ110-Х.16К

МУ110-Х.16Р

МУ110-Х.32Р

Схема подключения к выходным элементам типа электромагнитное реле


МУ110-224.8Р

МУ110-224.8К

МУ110-224.16К

МУ110-224.16Р

МУ110-24/220.32Р